Contact Banner

R.O.System for Pharmaceutical
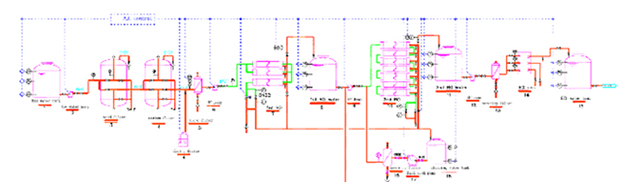
Water Generation and Distribution System

SOMETHING TO KNOW ABOUT



GIECL provides complete Solution for Water treatment as per the Tailor made requirements. The above scheme will explain the different stage of purification and quality Raw Water Passed to Pre-treatment; First Pass Hot Water R.O. System followed by Second Pass Hot Water R.O. System with EDI system for High Purity water



GIECL Having Following Make

FRP Vessel :- Pentair USA
R.O. Membrane :- Hydranautics / Dow: - All Made in USA
Pumping System :- Grundfoss
Pressure Tube :- Pentair
Dosing System :- Grundfoss
Piping and Fittings :- uPVC Lead Free / S.S. - 316
EDI System :- Electropure - Ion Pure - GE


Application Treatment Scheme Product Water Quality
USFDA , WFI H.S. R.O. -1 H.S. R.O.- 2 H.S. EDI System < 1 ms/cm Conductivity
USP, EP, WFI C.S. R.O. - 1 H.S. R.O. - 2 EDI System < 1 ms/cm Conductivity
WHO - GMP C.S. R.O. - 1 C.S. R.O. - 2 EDI System < 1 ms/cm Conductivity
WHO - PWG C.S. R.O. - 1 C.S. R.O. - 2 Mix Bed Unit < 2ms/cm Conductivity
WHO - PWG C.S. R.O. D.M. Mix Bed Unit < 2ms/cm Conductivity


8000 LPH Complete Reverse Osmosis System

8000 LPH Complete Reverse Osmosis System High Quality pure Water Generation System

8000 LPH complete R.O. System

8000 LPH complete R.O. System with High Pressure pump, Micron Filter, control Panel on S.S. Skid

R.O System for Pharmaceutical

3.0 M3/Hr Two Pass R.O. System with Ultra-Pure water production for Pharmaceutical factory

R.O System for Pharmaceutical

2 Pass Hot Water Reverse Osmosis System with EDI System for Ultra High Purity
Water for Pharmaceutical Industries for USP, EP, WFI Standard

R.O System for Pharmaceutical

HSRO (Pharmaceutical)

Hot Water Senitizable RO System for WFI (Water For Injection) With USP 25, 26, 27 Standards

The Complete Sophisticated Hot Water Senitizable R.O. System for high purity water with Automatic Operation with Sanitary fittings. System is completely in S.S. - 316 high grade materials. The Inbuilt Hot Water generation system will provide immediate Hot Water for Sanitization with Tank and Pump provided with system with all controls and Safety.


R.O System for Pharmaceutical

2000 Liters per hour 2 Pass Ro systems with Mix Bed Unit.

R.O System for Pharmaceutical
R.O System for Pharmaceutical

Mix Bed Plant with uPVC piping

Pharmaceutical Water Generation System

R.O. System with D.M. Plant with Mix Bed Unit (M.B. Unit) For GMP, WHO and SCH M for Tablet, Liquid Product.

R.O System for Pharmaceutical

3000 LPH Ro System High Quality pure Water Generation System with PLC control Panel and
Grundfos pump on Skid for Pharmaceutical industries

R.O System for Pharmaceutical

The R.O. System shown in above pictures mounted on complete S.S. Structural skid which able to produce the 3000 Liters per Hour. System incorporates with the Dosing System for pH Correction and Anti Scalent Dosing. The High Pressure pump from Grundfoss and Toray/ Hydranautics - USA Membranes

R.O System for Pharmaceutical

D.M. Plant

R.O System for Pharmaceutical

Mix Bed Plant with uPVC piping and Absolute Filters and U.V. System
2 Pass R.O. Plant with D.M & M.B Unit.

R.O System for Pharmaceutical

The Conventional Water treatment System for Pharmaceuticals application to produce high quality water for Tablet, Liquid, Process water and equipment's washing.

The Raw Water pass through the R.O. System with Cation and Anion Exchanger and further it will pass through the Mix bed Unit which will allow producing the typical < 2 Conductivity water.

The High Purity Water will further pass through the 1 & 0.2 micron Absolute Micron Cartridge filter and U.V. System and store in to the Close Loop Tank.

The Complete System will be FRP and S.S. only with Pressure Gauges, Pressure Switches and Safety features incorporate with Electric control panel.

Pharmaceutical Water System

R.O System for Pharmaceutical

2000 LPH R.O. System

R.O System for Pharmaceutical
R.O System for Pharmaceutical

Mix Bed Unit with Micron Cartridge Filter and U.V System R.O. System with Mix Bed System